• heolica
    Our products
    unlike any others
    The catalog is growing. More to come soon...

Better-quality graphene is a key differentiator element that can drive new technologies!

Unlike the low-quality graphene derivative products existing on the market, GTechPlasma ensures the automated and continuous production of consistent batches of graphene derivatives

If you are developing a commercial application or wish to purchase please contact us

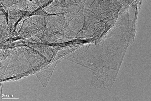
Graphene (Reference: Graph_GTP01)

Product Sample

Properties
Form: graphene powder
Average lateral size: ~337 nm [b]
Mono to few layer content: > 40% [c]
Interlayer distance: ~ 3.45 Å [d]

Elemental Analysis
Oxygen: ~ 1.5 %, sp2 carbons: ~ 68 %

Number of layers and level of doping can be tailored upon request


Publications

📄 "Plasma-enabled multifunctional platform for gram-scale production of graphene and derivatives"
Applied Materials Today, Vol. 36 (2024), Article 102056.
DOI: 10.1016/j.apmt.2024.102056


N-Graphene (Reference: NGraph_GTP02)

Product Sample

Properties
Form: nitrogen doped graphene powder
Average Lateral size: ~382 nm [b]
Mono to few layer content: > 40% [c]
Interlayer distance: ~ 3.44 Å [d]

Elemental Analysis
Oxygen: ~ 2.2 %, Nitrogen: ~ 2.8 %, sp2 carbons: ~ 67 %

Number of layers and level of doping can be tailored upon request


Publications

📄 “Plasma-Driven Tuning of Dielectric Permittivity in Graphene”
Small, Vol. 20 (2024), Article 2303421.
DOI: 10.1002/smll.202303421


📄"Prospects for microwave plasma synthesized N-graphene in secondary electron emission mitigation applications"
Scientific Reports, Vol. 10 (2020), Article 13013.
DOI: 10.1038/s41598-020-69844-9


Alpha Composite (Reference: GComp_GTP03)

Product Sample

Properties
Form: powder, ink, pellets, plates
Ultralight graphene-based nanocomposites to be used for RAM/RAS arranged in distinctive web configurations
Outstanding EM absorption via tuning electromagnetic parameters

Customized structures upon request